优德88
首页
品牌文化
品牌故事
品牌价值
品牌宣传片
枸杞文化
企业产品
枸杞酒
枸杞干红
枸杞白兰地
枸杞特产
葡萄酒
有机枸杞
白酒
企业动态
企业新闻
贵宾来访
媒体聚焦
环保监测
公示公开
关于优德88
企业介绍
企业文化
发展历程
企业荣誉
联系优德88
企业新闻
贵宾来访
媒体聚焦
环保监测
公示公开
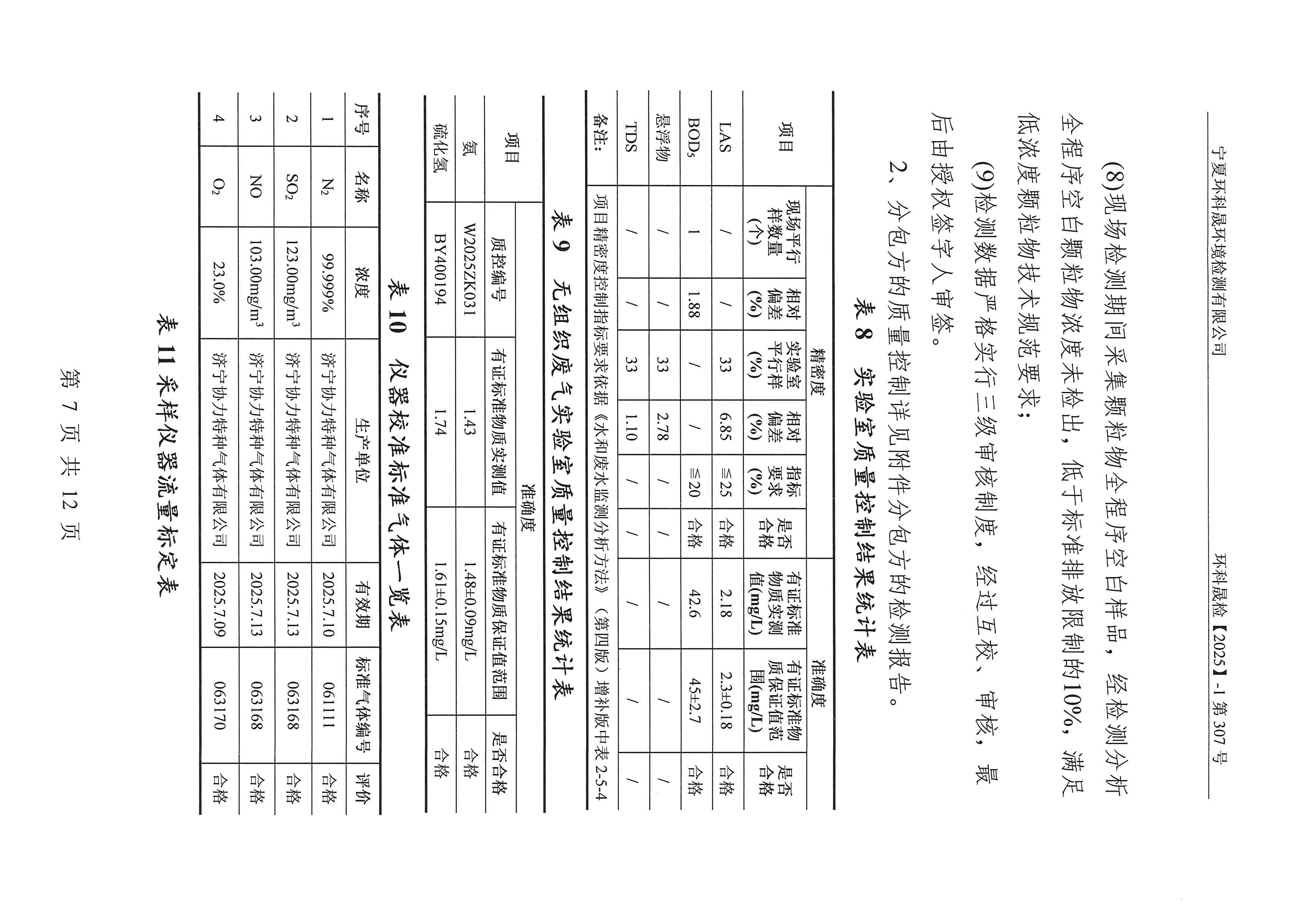
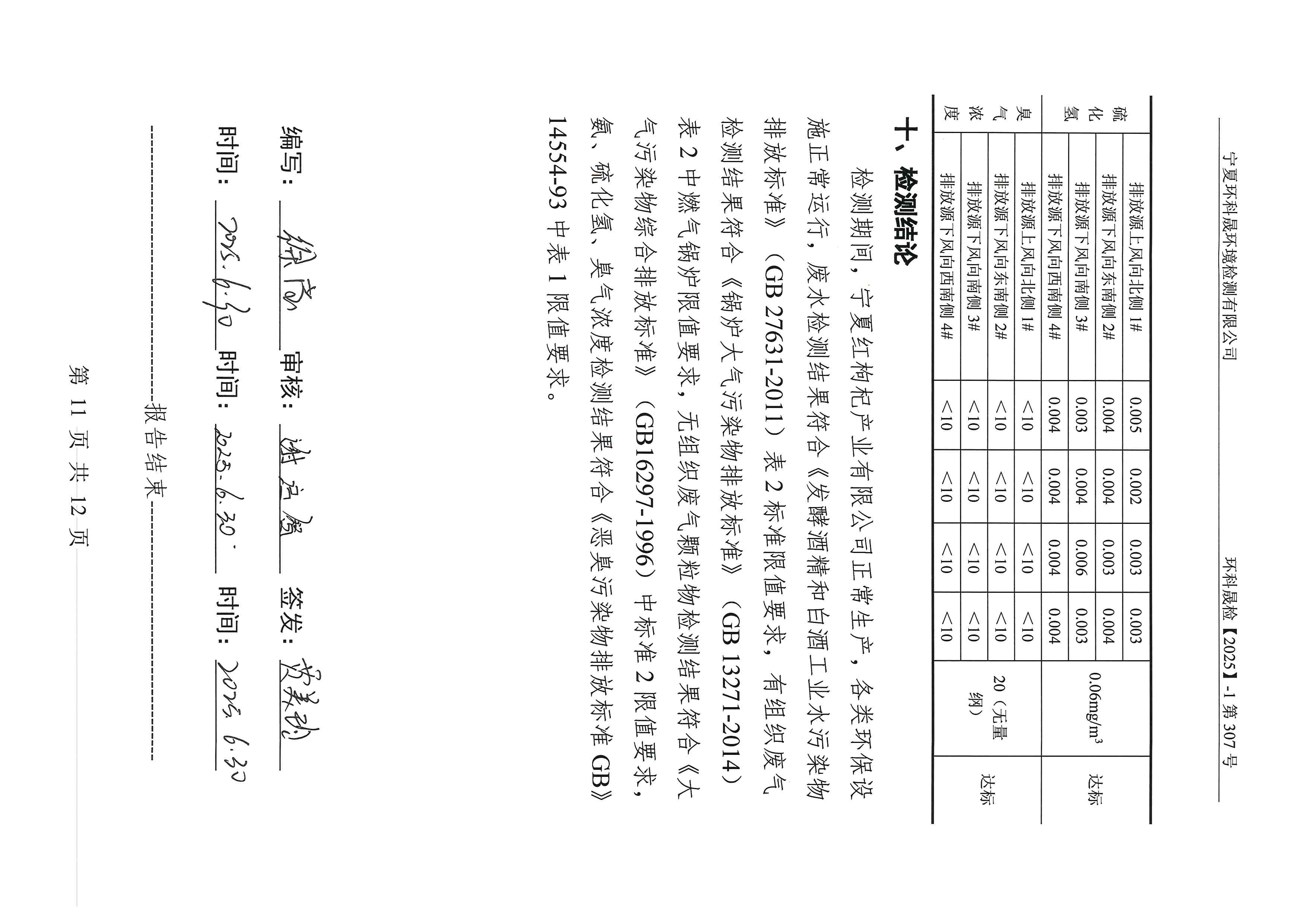
2025年上半年企业自测报告
微信公众号
官方微博
法律声明
Copyright©优德88枸杞产业有限公司